Краны шаровые двухходовые из нержавеющей стали серии BV17TE
В течении 30 минут с вами свяжется менеджер
и ответит на интересующие вопросы по товарам.
и ответит на интересующие вопросы по товарам.
Назначение
Шаровые краны BV17TE используются в качестве запорной трубопроводной арматуры на следующих средах: вода, пар (до 0,8 МПа), сжатый воздух (до 0,6 МПа), спирты (до 0,6 МПа), слабоагрессивные среды. Конструкция полнопроходная, разборная.
Технические храктеристики
| DN 15-50 | DN 65-100 | |
|---|---|---|
| Максимальное давление на холодной воде | 6,4 МПа | 4,0 МПа |
| Максимальная рабочая температура | 180 °С | |
| Максимально допустимая температура | 200 °С | |
| Присоединение | Tri-Clamp | |
Примечание. *По запросу шаровые краны поставляются с пневмо- или электроприводом.
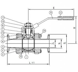
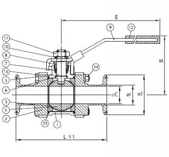
Габаритные размеры и технические данные
| DN | Размеры, (мм) | Масса, (кг) | ||||||
|---|---|---|---|---|---|---|---|---|
| мм | дюймы | ∅ С | ∅ I | ∅ J | L | H | E | |
| 15 | 1/2" | 9,4 | 12,7 | 25,2 | 89,1 | 64 | 130 | 0,6 |
| 20 | 3/4" | 15,75 | 19 | 25,2 | 101,6 | 67 | 130 | 0,8 |
| 25 | 1" | 22,2 | 25,4 | 50,4 | 114,5 | 75 | 165 | 1,19 |
| 40 | 11/2" | 34,9 | 38,1 | 50,5 | 140,1 | 90 | 190 | 2,6 |
| 50 | 2" | 47,5 | 50,8 | 63,9 | 159 | 98 | 190 | 3,89 |
| 65 | 21/2" | 60,3 | 63,5 | 77,4 | 174 | 137 | 250 | 8,12 |
| 80 | 3" | 73 | 76,2 | 90,9 | 193,2 | 147 | 250 | 11,2 |
| 100 | 4" | 97,4 | 101,6 | 118,9 | 226 | 175 | 280 | 19,39 |